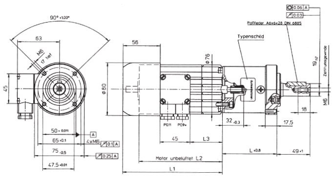
Asünkroonmootor KD/DR 62.0 x 80-2 planetaarülekandega PLG 75
Pingele 200VAC, 400VAC, Võimsus 86W, saadaval erinevate ülekandesuhetega
- Pingele 230 VAC 1~ või 400 VAC 3~
- Võimsus 86 W
- Pöörlemiskiirus 2 600 1/min
- Mootori väändemoment 31 Ncm
- Kondensaator C = 8 μF (230 VAC 1~)
- Ülekande PLG 75 ülekandesuhted: 4, 5.5, 7, 10, 16.8, 23.1, 27.5, 29.4, 35, 42, 50, 70, 70.56, 84, 100, 147, 175, 210, 250
- Väljundvõll kuullaagerdatud
Müük ja info
Wermundsen OÜ
Mustamäe tee 55
EE-10620 Tallinn, Estonia
Tel: (+372) 601 4202
wermundsen@wermundsen.ee
Toodete pildid
Tootja koduleht
Lisateave
kd_dr_1.pdf
| Ülekandesuhe | L1 (mm) | L2 (mm) | L3 (mm) | L4 (mm) | Lubatud pidev koormus (Ncm) |
| 4-10:1 | 169 | 144,5 | 67,5 | 80,2 | 2500 |
| 16.8-70:1 | 169 | 144,5 | 67,5 | 106 | 12000 |
| 70.56-250:1 | 169 | 144,5 | 67,5 | 133,2 | 16000 |