Alalisvoolumootor G 30.0 planetaarülekandega PLG 32
Nimipinge 24VDC, võimsus 10 W, saadaval erinevate reduktoritega
- nimipinge: 24 VDC
- võimsus: 10 W
- mootori pöörlemiskiirus 3 000 p/min
- mootori väändemoment: pidev 3 Ncm, hetkeline 12,5 Ncm
- reduktori PLG 32 ülekandesuhted: 4.5, 6.25, 20.25, 36, 50, 91, 162, 288 või 400:1
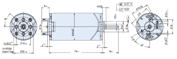
- väljundvõll kuullaagerdatud
Saadaval muudele nimipingetele!
Müük ja info
Wermundsen OÜ
Mustamäe tee 55
EE-10620 Tallinn, Estonia
Tel: (+372) 601 4202
wermundsen@wermundsen.ee
Toodete pildid
Tootja koduleht
Lisateave
g_gr.pdf
| Ülekandesuhe | L (mm) | Reduktori lubatud pidev koormus (Ncm) | Ülekande kasutegur (%) |
| 4.5-6,25:1 | 105 | 40 | 90 |
| 20.25-50:1 | 115 | 150 | 81 |
| 91.12-400:1 | 125 | 400 | 73 |