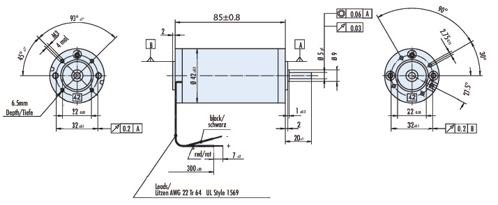
Alalisvoolumootor GR 42 x 40 planetaarülekandega PLG 42 K

Nimipinge 24VDC, võimsus 20 W, saadaval erinevate ülekannetega

  • nimipinge: 24 VDC
  • võimsus: 20 W
  • pöörlemiskiirus: 3 100 1/min
  • mootori väändemoment: pidevalt 5,7 Ncm, lühiajaliselt 33 Ncm
  • reduktori PLG 42 K ülekandesuhted: 6.25, 16, 32, 64, 128, 256, või 512:1
  • väljundvõll kuullaagerdatud

Saadaval ka teistele nimipingetele!

Müük ja info

Wermundsen OÜ
Mustamäe tee 55
EE-10620 Tallinn, Estonia
Tel: (+372) 601 4202
wermundsen@wermundsen.ee

Toodete pildid

Tootja koduleht


Lisateave

PDF icon g_gr_1.pdf