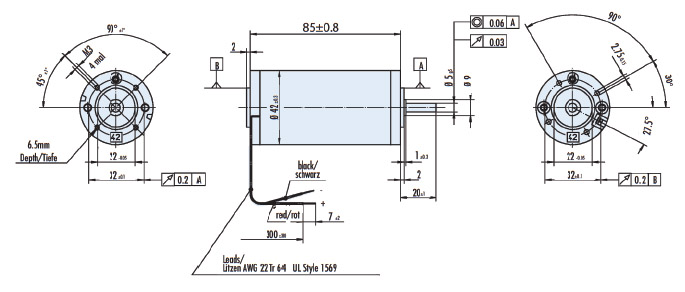
Alalisvoolumootor GR 42 x 40 tiguülekandega SG 65
Nimipinge 24VDC, võimsus 20 W, saadaval erinevate reduktoritega
- nimipinge: 24 VDC
- võimsus: 20 W
- pöörlemiskiirus: 3 100 1/min
- mootori väändemoment: pidevalt 5,7 Ncm, lühiajaliselt 3,3 Ncm
- ülekande SG 62 ülekandesuhted: 8, 15, 23, 35, 46 või 72:1
- väljundvõll isemäärivate puksidega
Saadaval ka teiste nimipingetega!
Müük ja info
Wermundsen OÜ
Mustamäe tee 55
EE-10620 Tallinn, Estonia
Tel: (+372) 601 4202
wermundsen@wermundsen.ee
Toodete pildid
Tootja koduleht
Lisateave
g_gr_0.pdf
| Reduktori ülekandesuhe | L (mm) | Reduktori lubatud koormus (Ncm) | Reduktori kasutegur (%) |
| 8:1 | 136 | 150 | 60 |
| 15:1 | 136 | 150 | 55 |
| 23:1 | 136 | 150 | 50 |
| 35:1 | 136 | 150 | 45 |
| 46:1 | 136 | 150 | 40 |
| 72:1 | 136 | 150 | 30 |