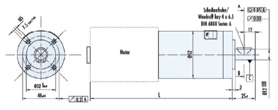
Alalisvoolumootor GR 63 x 25 planetaarülekandega PLG 52.0
Nimipinge 24VDC, võimsus 50 W, saadavl erinevate ülekannetega
- nimipinge: 24 VDC
- võimsus: 50 W
- pöörlemiskiirus 3 300 1/min
- mootori väändemoment: pidev 14 Ncm, lühiajaliselt 108 Ncm
- ülekande PLG 52.0 ülekandesuhted: 4.5, 6.25, 15, 20.25, 28.12, 36, 50, 91.12, 126, 56, 162, 225, 288, 400
- väljundvõll kuullaagerdatud
Saatavissa eri nimellisjännitteellä, kysy lisää
Müük ja info
Wermundsen OÜ
Mustamäe tee 55
EE-10620 Tallinn, Estonia
Tel: (+372) 601 4202
wermundsen@wermundsen.ee
Toodete pildid
Tootja koduleht
Lisateave
g_gr_5.pdf
| Reduktori ülekandesuhted | L(mm) | Reduktori lubatud koormus (Ncm) | Reduktori kasutegur (%) |
| 4.5-6.25:1 | 145 | 120 | 85 |
| 15-50:1 | 160,5 | 800 | 72 |
| 91.12-400:1 | 175,5 | 2400 | 61 |