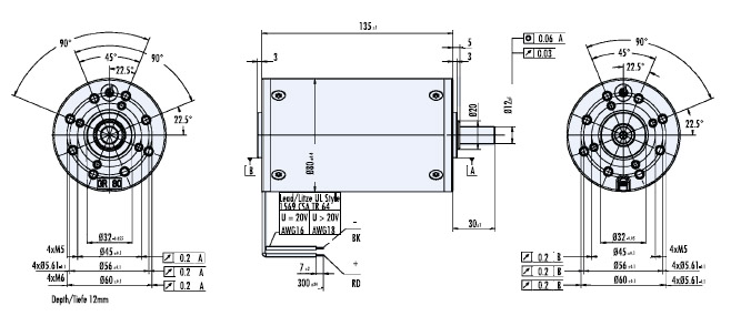
Alalisvoolumootor GR 80 x 40 planetaarülekandega PLG 75
Nimipinge 24VDC, võimsus 120W, saadaval erinevate ülekannetega
- nimipinge: 12, 24, 40 või 60 VDC
- võimsus: 120 W
- pöörlemiskiirus: 2 900 1/min
- mootori väändemoment: pideval koormusel 3,5 Ncm, lühiaegselt 31,0 Ncm
- reduktori PLG 75 ülekandearvud: 4, 5.5, 7, 16.8, 23.1, 27.5, 29.4, 35, 42, 50, 7.56, 84, 100, 147, 175, 210, 250
- väljundvõll kuullaagerdatud
Müük ja info
Wermundsen OÜ
Mustamäe tee 55
EE-10620 Tallinn, Estonia
Tel: (+372) 601 4202
wermundsen@wermundsen.ee
Toodete pildid
Tootja koduleht
Lisateave
g_gr_8.pdf
| Ülekande ülekandesuhe | L (mm) | Ülekande lubatud pidev koormus (Ncm) | Ülekande kasutegur (%) |
| 4-10:1 | 215 | 2500 | 0,9 |
| 16.8-70:1 | 241 | 12000 | 0,81 |
| 70.56-250:1 | 268 | 16000 | 0,73 |