Alalisvoolumootor GR 80 x 80 planetaarülekandega PLG 75
Nimipinge 24VDC, võimsus 240W, saadaval erinevad reduktorid
- nimipinge: 24 VDC
- võimsus: 240 W
- pöörlemiskiirus 3 200 1/min
- mootori väändemoment pideval koormusel: 62 Ncm, lühiaegselt 608 Ncm
- reduktori PLG 75 ülekandesuhted: 4, 5.5, 7, 16.8, 23.1, 27.5, 29.4, 35, 42, 50, 7.56, 84, 100, 147, 175, 210, 250
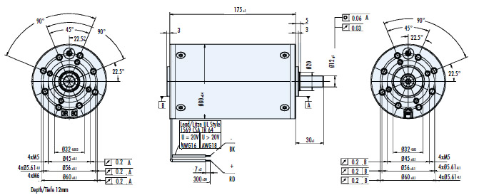
- väljundvõll kuullaagerdatud
Saadaval erinevatele pingetele. Küsi lisainfot!
Müük ja info
Wermundsen OÜ
Mustamäe tee 55
EE-10620 Tallinn, Estonia
Tel: (+372) 601 4202
wermundsen@wermundsen.ee
Toodete pildid
Tootja koduleht
Lisateave
g_gr_9.pdf
| Ülekande õlekandesuhe | L (mm) | Ülekande lubatud koormus (Ncm) | Ülekande kasutegur (%) |
| 4-10:1 | 255 | 2500 | 0,9 |
| 16.8-70:1 | 281 | 12000 | 0,81 |
| 70.56-250:1 | 308 | 16000 | 0,73 |