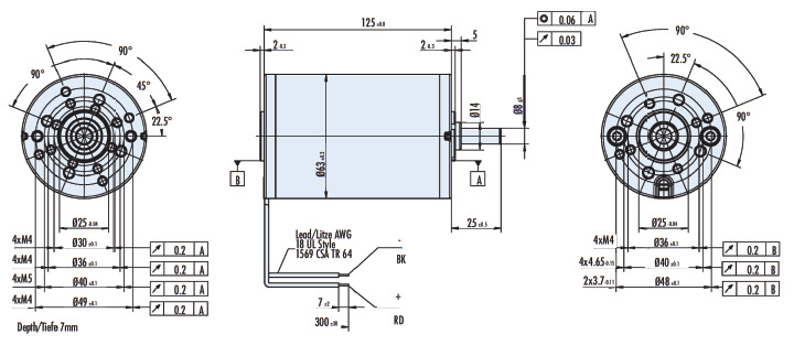
Alalisvoolumootor GR63S x 55 planetaarülekandega PLG 52.0
Nimipinge 24VDC, võimsus 130W, saadaval erinevate reduktoritega
- nimipinge: 24 VDC
- võimsus: 130 W
- pöörlemiskiirus 3 700 1/min
- mootori väändemoment: pidevalt 32 Ncm, lühiaegselt 340 Ncm
- ülekande PLG 52.0 ülekandearvud: 4.5, 6.25, 15, 20.25, 28.12, 36, 50, 91.12, 126, 56, 162, 225, 288, 400:1
- väljundvõll kuullaagerdatud
Müük ja info
Wermundsen OÜ
Mustamäe tee 55
EE-10620 Tallinn, Estonia
Tel: (+372) 601 4202
wermundsen@wermundsen.ee
Toodete pildid
Tootja koduleht
Lisateave
g_gr_10.pdf
| Reduktori ülekandesuhted | L (mm) | Reduktori lubatud pidev koormus (Ncm) | Reduktori kasutegur (%) |
| 4.5-6.25:1 | 175 | 120 | 85 |
| 15-50:1 | 190,5 | 800 | 72 |
| 91-400:1 | 205,5 | 2400 | 61 |