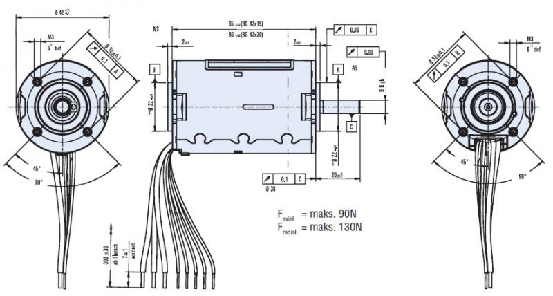
Harjadeta alalisvoolumootor BG42
Nimipinge 24VDC, võimsus 65W, saadaval erinevate kontrollerite ja reduktoritega
- Võimsus: BG 42 x 15 40W ja BG 42 x 30 65W
- Mootori valikud: ilma kontrollerita, integreeritud kontrolleriga ja välise kontrolleriga
- Lisad: reduktorid, pidurid ja impulsiandur
Harjadeta alalisvoolumootorite võimsused on 10…530W ja väändemomendi vahemik 3…150Ncm.
Müük ja info
Wermundsen OÜ
Mustamäe tee 55
EE-10620 Tallinn, Estonia
Tel: (+372) 601 4202
wermundsen@wermundsen.ee
Toodete pildid
Tootja koduleht
Lisateave
bg_0.pdf
| BG 42 x 15 | BG 42 x 30 | ||||
| Nimipinge | VDC | 12 | 24 | 12 | 24 |
| Pöörlemiskiirus | rpm *) | 3410 | 3640 | 3300 | 3580 |
| Nimimoment | Ncm *) | 10,6 | 10,8 | 17,3 | 17,2 |
| Nimivool | A *) | 4,4 | 2,24 | 6,8 | 3,3 |
| Voolupiik | A **) | 26 | 15 | 40 | 22 |
| Stardimoment | Ncm **) | 60,2 | 74,6 | 102 | 156 |
| Rootori inerts | gcm² | 24 | 24 | 44 | 44 |
| Mootori kaal | g | 360 | 360 | 470 | 470 |
*) Δϑ W = 100 K; **) ϑ R = 20 °C