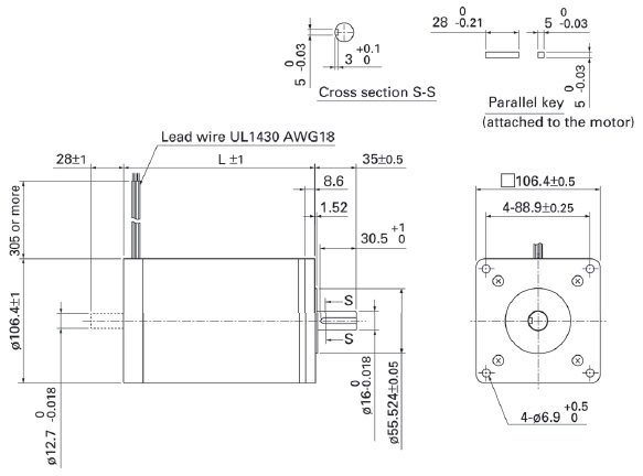
2-faasiline sammmootor 106 mm, Sanyo Denki
Hoidemoment 13,2-19Nm, faasivool 6A
- Sammunurk 1,8°
- Bipolaarne
Müük ja info
Wermundsen OÜ
Mustamäe tee 55
EE-10620 Tallinn, Estonia
Tel: (+372) 601 4202
wermundsen@wermundsen.ee
Toodete pildid
Tootja koduleht
|
Mudel |
Hoidemoment Nm |
Faasivool A/faas |
Takistus Ω/faas |
Induktiivsus mH/faas |
Pidurdusmoment x10-4 kg m2 |
Mootori pikkus L mm |
Kaal kg |
|
|
1 poolse võlliga |
2 poolse võlliga |
|||||||
|
103H89222-6341 |
-6311 |
13,2 |
6 |
0,45 |
5,4 |
14,6 |
163,3 |
7,5 |
|
103H89223-6341 |
-6311 |
19 |
6 |
0,63 |
8 |
22 |
221,3 |
10,5 |