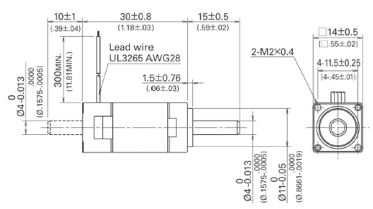
2-faasiline sammmootor 14 mm x 14 mm, Sanyo Denki

Hoidemoment 0,0065Nm, faasivool 0,3A

  • Sammunurk 1,8°
  • Bipolar
Mudel Hoidemoment
N.m

Faasivool

A

1 võlliga 2 poolse võlliga
SH2141-5541 SH2141-5511 0,0065 0,3

Müük ja info

Wermundsen OÜ
Mustamäe tee 55
EE-10620 Tallinn, Estonia
Tel: (+372) 601 4202
wermundsen@wermundsen.ee

Toodete pildid

Tootja koduleht