2-faasiline sammmootor 86 mm, Sanyo Denki
Hoidemoment 2,74-7,44Nm, faasivool 6A
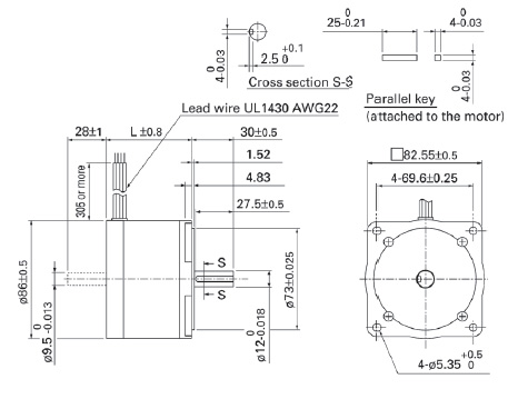
86 mm (Nema 34)
- Sammunurk 1,8°
- Bipolaarne
Müük ja info
Wermundsen OÜ
Mustamäe tee 55
EE-10620 Tallinn, Estonia
Tel: (+372) 601 4202
wermundsen@wermundsen.ee
Toodete pildid
Tootja koduleht
|
Mudel |
Hoidemoment N.m |
Faasivool A/faas |
Takistus Ω/faas |
Induktiivsus mH/faas |
Pidurdusmoment x10-4 kg m2 |
Mootori pikkus L mm |
Kaal kg |
|
|
Single Shaft |
Double Shaft |
|||||||
|
103H8221-6240 |
-6210 |
2,74 |
6 |
0,30 |
1,65 |
1,45 |
62 |
1,5 |
|
103H8222-6340 |
-6310 |
5,09 |
6 |
0,35 |
2,7 |
2,9 |
92,2 |
2,5 |
|
103H8223-6340 |
-6310 |
7,44 |
6 |
0,45 |
3,4 |
4,4 |
125,8 |
3,5 |