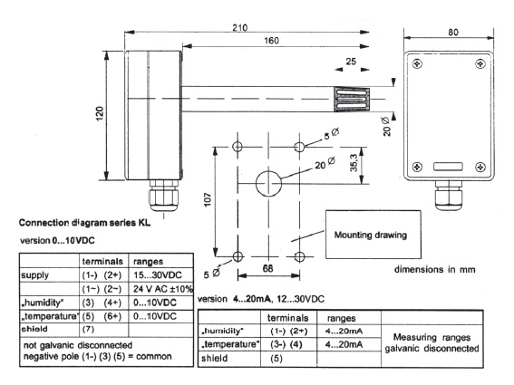
Varrasniiskustransmitter FKL / KKL
IP54
Täpsus: Pingesignaal ±3 % SN (30… 80 %, 15… 35 ºC)
Voolusignaal ±5 % SN (30… 80 %, 15… 35 ºC)
Müük ja info
Wermundsen OÜ
Mustamäe tee 55
EE-10620 Tallinn, Estonia
Tel: (+372) 601 4202
wermundsen@wermundsen.ee
Toodete pildid
Tootja koduleht
| Mudel | Mõõtediapasoon % SN | Väljundsignaal | Mõõtediapasoon | Väljundsignaal |
Kasutuspinge AC ± 10 % |
Kasutuspinge DC | Kaitseklass | Ümbritsev temperatuur °C |
| FKL 2/5 | 0… 100 | 0 – 10 V | 24 V | 15… 30 V | IP54 | -20… 80 | ||
| FKL 3/5 | 0… 100 | 4 – 20 mA | 24 V | 15… 30 V | IP54 | |||
| KKL 2/5 | 0… 100 | 0 – 10 V | 0… 50 | 0 – 10 V | 24 V | 15… 30 V | IP54 | |
| KKL 3/5 | 0… 100 | 4 – 20 mA | 0… 50 | 4 – 20 mA | 24 V | 15… 30 V | IP54 |