NALC uputatav rõhutransmitter TRAFAG
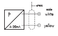
Rõhule 0-1 bar, väljund 4-20 mA
- Vedeliku tasapinna mõõtmiseks.
- Andur ja kaabel eraldatavad
- Kaabli pikkus vastavalt soovile.
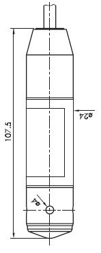
Anduri materjal W1.4435 / AISI 316L
Maksim. anduri temperatuur 70 °C
Kaabli materjal PUR (saadaval ka TEFLON)
Müük ja info
Wermundsen OÜ
Mustamäe tee 55
EE-10620 Tallinn, Estonia
Tel: (+372) 601 4202
wermundsen@wermundsen.ee
Toodete pildid
Tootja koduleht
Lisateave
trafag_nalc.pdf
| Mudel | Diapasoon bar | Maks. töörõhk bar | Kasutuspinge VDC | Tõpsus kogu piirkonnast NLH |
| NALC 0.1 A | 0… 0,1 | 3 | 9… 33 | ±0.5 % |
| NALC 0.2 A | 0… 0,2 | 3 | 9… 33 | ±0.5 % |
| NALC 0.5 A | 0… 0,5 | 3 | 9… 33 | ±0.5 % |
| NALC 1.0 A | 0… 1 | 3 | 9… 33 | ±0.5 % |