EPN-S elektrooniline rõhulüliti TRAFAG
G ¼" väliskeere, laevakasutuse heakskiiduga
- Kompaktne ja tugev konstruktsioon
- Eriline pikaajaline stabiilsus
- Kaitseklass IP 65 (lisana IP 69K)
- Temperatuurile: Keskond –25… +85 °C (lisana –40… +125 °C) Voolava aine temperatuur –40… +125 °C
- Täpsus ± 0,5 % FS
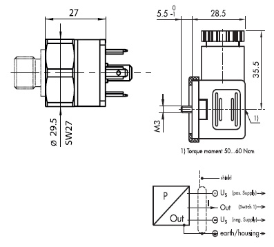
- Kasutuspinge: 9… 32 VDC
- Väljund: 1 transistor väljund (open source) 0,5 A @ 40… +85 °C
- Tehaseseaded lülütumispunktidele, võimalik ise seadistada Trafag Sensor Communicatori abil
- Lülitumisviide standardina 5 ms, programmeeritav 5 ms… 10 s
Müük ja info
Wermundsen OÜ
Mustamäe tee 55
EE-10620 Tallinn, Estonia
Tel: (+372) 601 4202
wermundsen@wermundsen.ee
Toodete pildid
Tootja koduleht
Lisateave
trafag_epn-s.pdf
| Mudel | Rõhu diapasoon bar | Maks.töörõhk bar |
| EPN-S 2.5 | 0…2,5 | 5 |
| EPN-S 4 | 0…4 | 8 |
| EPN-S 6 | 0…6 | 12 |
| EPN-S 10 | 0…10 | 20 |
| EPN-S 16 | 0…16 | 32 |
| EPN-S 25 | 0…25 | 50 |
| EPN-S 40 | 0…40 | 80 |
| EPN-S 60 | 0…60 | 120 |
| EPN-S 100 | 0…100 | 200 |
| EPN-S 160 | 0…160 | 320 |
| EPN-S 250 | 0…250 | 500 |
| EPN-S 400 | 0…400 | 800 |
| EPN-S 600 | 0…600 | 1000 |
Tellimuses märgi:
lülitumispunktid ON… (bar) OFF… (bar)
lõlitusviide 5 ms (standard) või valitav
…ms (diapasoon 5… 10.000 ms), näiteks ON 6 Bar, OFF 6,5 Bar, viide 100 ms