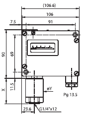
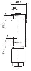
P-seeria rõhulüliti TRAFAG, 1/4″
Rõhule -0,9-40 bar, lõõtsandur, IP65
Anduri materjal Pronks/messing
Kasutustemperatuur -20… 70 °C
Aine/gaasi temperatuur -40… 150 °C
AC 500 V 10 (0,75) A
DC 30 V 15 (1,5) A
DC 250 V 0,3 (0,2) A
Müük ja info
Wermundsen OÜ
Mustamäe tee 55
EE-10620 Tallinn, Estonia
Tel: (+372) 601 4202
wermundsen@wermundsen.ee
Toodete pildid
Tootja koduleht
Lisateave
trafag_p-sarja.pdf
| Mudel | LVI-number | S.number | Diapasoon bar | Hüsterees bar | Maks. rõhk bar | øY | X |
| P 1.5 | 4565102 | 3539406 | -0,9… 1,5 | 0,1 | 10 | 45 | 56,5 |
| P 2.5 | 4565008 | 3539408 | 0,2… 2,5 | 0,1 | 10 | 45 | 56,5 |
| P 4 | 0… 4 | 0,2 | 12 | 33 | 47 | ||
| P 6 | 4565104 | 3539410 | 0… 6 | 0,2 | 12 | 33 | 47 |
| P 10 | 4565106 | 3539412 | 1… 10 | 0,4 | 24 | 27 | 42,5 |
| P 16 | 4565108 | 3539414 | 1… 16 | 0,4 | 24 | 27 | 42,5 |
| P 25 | 2… 25 | 1 | 40 | 33 | 47 | ||
| P 40 | 4565110 | 3539416 | 4… 40 | 1 | 40 | 33 | 47 |