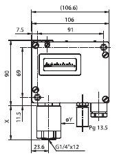
PV rõhulüliti TRAFAG, 1/4″
Rõhule 0-40 bar, lõõtsandur, IP65
Anduri materjal Pronks/messing
Kasutustemperatuur -20… 70 °C
Mõõdetava aine temperatuur -40… 150 °C
AC 500 V 10 (0,75) A
DC 30 V 15 (1,5) A
DC 250 V 0,3 (0,2) A
Müük ja info
Wermundsen OÜ
Mustamäe tee 55
EE-10620 Tallinn, Estonia
Tel: (+372) 601 4202
wermundsen@wermundsen.ee
Toodete pildid
Tootja koduleht
Lisateave
trafag_pv-pvf_sarajat_1.pdf
| Mudel | LVI-number | Diapasoon bar | Hüsterees bar | Maks. rõhk bar. | øY | X |
| PV 6 | 4565132 | 0… 6 | 0,4… 3,2 | 12 | 33 | 47 |
| PV 16 | 4565134 | 1… 16 | 1… 7,5 | 24 | 27 | 42,5 |
| PV 40 | 4565136 | 4… 40 | 3… 18 | 40 | 27 | 42,5 |