Piirtermostaat IS…R

Kapillaariga, lähtestusnupuga, IP54

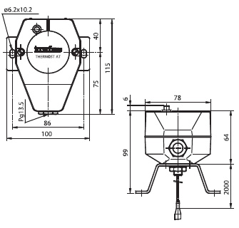
Kapillaartoru pikkus 2 m
Andur Ø 7 mm

AC 400 V 15 (3) A
DC 24 V 6 (2) A
DC 220 V 0,2 (0,02) A

Ümbritseva keskkonna temperatuuri muutustele kompenseeritud
-40… 85 °C

Müük ja info

Wermundsen OÜ
Mustamäe tee 55
EE-10620 Tallinn, Estonia
Tel: (+372) 601 4202
wermundsen@wermundsen.ee

Toodete pildid

Tootja koduleht


Lisateave

PDF icon is.r_0.pdf
Mudel Diapasoon°C õhutemperatuur°C Maks. anduri temperatuur °C Anduri materjal
IS 95 R 5… 95 -30… 70 105 Cu
IS 150 R 20… 150 -30… 70 165 Cu
IS 230 SR 20… 230 -30… 70 250 AISI 316 L
IS 350 SR 70… 350 -30… 70 380 AISI 316 L