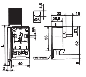
Kapillaartermostaat CO2
Paigaldamine paneelile või korpuse põhja, IP00
Andur Ø 6 mm
Kontaktipaar AC 250 V 15 (2,5) A
Müük ja info
Wermundsen OÜ
Mustamäe tee 55
EE-10620 Tallinn, Estonia
Tel: (+372) 601 4202
wermundsen@wermundsen.ee
Toodete pildid
Tootja koduleht
Lisateave
c02_kaikki_0.pdf
| Mudel | Diapasoon °C | Hüsterees fikseeritud °C | Maks. andur temperatuur °C |
| ISP 95 15 | 5… 95 | 4 | 100 |
| ISP 110 15 | 20… 110 | 4 | 115 |
| ISP 150 15 | 20… 150 | 5 | 165 |
| Mudel | Diapasoon°C | Hüsterees fikseeritud °C | Maks. andur temperatuur °C | Kapillaari pikkus m |
| C02D2 | -35… 20 | 2 | 50 | 1,5 |
| C02C2 | -20… 40 | 2 | 60 | 1,5 |
| C02A3 | 10… 90 | 6 | 120 | 1 |
| C02E3 | 40… 120 | 6 | 150 | 1 |
| C02B3 | 50… 300 | 8 | 330 | 1,5 |