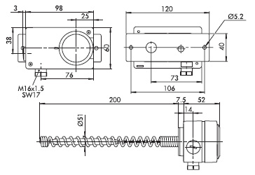
Varrastermostaat MSK

Sisemise asetus, IP 54

Andur Cu

AC 500 V 10 (0,75) A
AC 250 V 15 (1,25) A
DC 30 V 6 (1,5) A

Kompenseeritud keskkonna
temperatuuri muutustele-40… 85 °C

Müük ja info

Wermundsen OÜ
Mustamäe tee 55
EE-10620 Tallinn, Estonia
Tel: (+372) 601 4202
wermundsen@wermundsen.ee

Toodete pildid

Tootja koduleht


Lisateave

PDF icon msk_0.pdf
Mudel Diapasoon°C Hüstereesi reguleerimine°C ôhutemperatuur°C Maks. andur temperatuur °C
MSK 40 -30… 40 0,7… 10 -30… 45 45
MSK 35 0… 35 0,7… 10 -30… 50 50
MSK 80 10… 80 0,7… 10 -30… 70 100