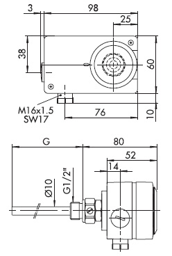
Varrastermostaat MST
1/2" sukeltoruga, sisemise asetusega, IP54
Sukeltoruga , materjal – nikeldatud messing
Kasutustemperatuur -30…70 °C
AC 500 V 10 (0,75) A
AC 250 V 15 (1,25) A
DC 30 V 6 (1,5) A
Kompenseeritud keskonna
temperatuuri muutustele-40… 85 °C
Müük ja info
Wermundsen OÜ
Mustamäe tee 55
EE-10620 Tallinn, Estonia
Tel: (+372) 601 4202
wermundsen@wermundsen.ee
Toodete pildid
Tootja koduleht
Lisateave
mst_0.pdf
| Mudel | Diapasoon°C | Hüstereesi reguleerimine°C | Maks. andur temperatuur °C | Sukeltoru pikkus mm |
| MST 80 15 | -10… 80 | 2… 12 | 85 | 150 |
| MST 80 40 | -10… 80 | 2… 12 | 85 | 400 |
| MST 95 11 | 5… 95 | 2… 12 | 105 | 110 |
| MST 95 15 | 5… 95 | 2… 12 | 105 | 150 |
| MST 95 40 | 5… 95 | 2… 12 | 105 | 400 |
| MST 150 15 | 20… 150 | 2,5… 16 | 165 | 150 |
| MST 150 40 | 20… 150 | 2,5… 16 | 165 | 400 |