Magnetventiilid L153 Asco
2-tee, 1/2"-1", Normaalselt suletud, rõhkude vahele 0-3 bar
Sobib ainetele (*) Aur ja kuum vesi
(*) Kontrolli materjalide sobivust ainega
Tehnilised omadused
|
Maks. rõhk (PS) |
16 bar |
|
Avanemisaeg |
100 ms – 150 ms |
|
Sulgumisaeg |
100 ms – 400 ms |
|
Voolava aine temperatuur |
-10… 140 °C |
|
Maksimaalne viskoosus |
37 cSt (mm2/s) |
VOOLAVA AINEGA KONTAKTIS OLEVAD MATERJALID
Pesa Messing
Tihend EPDM
Membraan PTFE
Siseosad Roostevaba teras
Hülss Roostevaba teras
Ankur Roostevaba teras
Lühisrõngas Vask
Mähis
|
ED-klass |
100 % |
|
Materjal |
PET (klaaskiud armeeritud) |
|
Isolatsiooniklass |
H (165 °C), UL-heakskiit |
|
Ümbritsev temperatuur |
-10… 80 °C |
|
Elektriline ühendus |
DIN 43650 (lai) |
|
Kaitseklass |
IP65 |
|
Standardpinged AC (~) |
24V/50Hz, 110V/50Hz (120V/60Hz), 230V/50Hz (+10 % -15 %) (Muudele pingetele eritellimisel) |
Müük ja info
Wermundsen OÜ
Mustamäe tee 55
EE-10620 Tallinn, Estonia
Tel: (+372) 601 4202
wermundsen@wermundsen.ee
Toodete pildid
Lisateave
l153_0.pdf
|
Mõõt |
Voolamisava |
Rõhkude vahe (bar) |
Mähise võimsus |
Kv (m3/h) |
Mudel |
Membraan ja tihendid |
||||||
|
∆p min. |
∆p maks. |
AC (VA) |
DC |
|||||||||
|
Aur |
Vesi |
Tõmbel |
Hoidel |
|||||||||
|
G” |
(mm) |
AC |
DC |
AC |
DC |
VA |
VA |
(W) |
||||
|
1/2 |
11,5 |
0 |
3 |
– |
6 |
– |
44 |
24 |
– |
2,1 |
L153D07 – 1/2" |
PTFE ja EPDM |
|
3/4 |
17 |
5 |
L153D07 – 3/4" |
|||||||||
|
1 |
22 |
50 |
27 |
8,5 |
L153D5 – 1" |
|||||||
EPDM = Ethylene-propylene elastomer
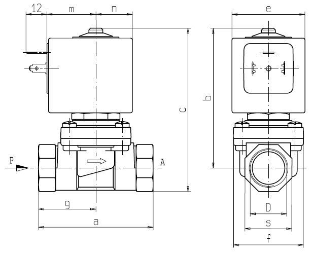
|
D |
a |
b |
c |
e |
f |
m |
n |
s |
g |
Kaal (kg) |
|
G 1/2 |
66 |
80,5 |
94 |
42 |
41 |
28 |
21 |
27 |
– |
0,660 |
|
G 3/4 |
79 |
85,5 |
102,5 |
42 |
51 |
28 |
21 |
33 |
– |
0,870 |
|
G 1 |
105 |
106 |
127 |
48,6 |
71 |
35 |
24,3 |
42 |
46 |
1,665 |