
Voolavatele ainetele (*) Vesi, õhk, õli ja inertgaasid
(*) Kontrolli materjalide sobivust voolavale ainele
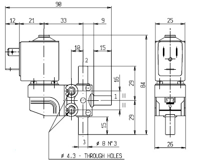
Ventiili ankrumehanism on täielikult isoleeritud, mille tättu voolav aine on kontaktis ainult membraani ja ventiili korpusega. Ankur on eriti väikese hõõrdumisega PTFE-pinnakatte tõttu.
Tehnilised omadused
|
Maksimaalne rõhk (PS) |
12 bar |
|
Avanemisaeg |
25 ms |
|
Sulgumisaeg |
25 ms |
|
Voolava aine temperatuur |
-10… 100 °C |
|
Maks. viskoosus |
37 cSt (mm2/s) |
VOOLAVA AINEGA KONTAKTIS OLEVAD MATERJALID
Pesa PEI (polythermide)
Tihendid VMQ, FPM või EPDM
Mähis
|
ED-klass |
100 % |
|
Materjal |
PET (polyethylene terephtalate) klaaskiudarmeeritud |
|
Isolatsiooniklass |
F (155 °C) |
|
Ümbritsev temperatuur |
-10… 60 °C |
|
Elektriline ühendus |
Pistik DIN 43650 (kitsa) |
|
Kaitseklass |
IP65 |
|
Standardpinged AC (~) DC (=) |
24V/50 – 60Hz, 110V/50Hz (120V/60Hz), 230V/50 – 60Hz (+10 % -15 %) 12, 24V (+10 % -5 %) (Muuudele pingetele küsi infot meilt) |
Wermundsen OÜ
Mustamäe tee 55
EE-10620 Tallinn, Estonia
Tel: (+372) 601 4202
wermundsen@wermundsen.ee

|
Mõõt |
Voolamisava |
Rõhkude vahele (bar) |
Mähise võimsus |
Kv (m3/h) |
Mudel |
Tihendid |
Toimimine |
||||||
|
∆p min. |
∆p maks. |
AC (VA) |
DC |
||||||||||
|
Õhk ja inert- gaasid |
Vedelikud |
Tõmbel |
Hoidel |
||||||||||
|
G" |
(mm) |
AC |
DC |
AC |
DC |
(W) |
|||||||
|
2-tee normaalselt suletud, NC |
|||||||||||||
|
Voolikühendus |
2,7 |
0 |
10 |
5 |
10 |
5 |
16 |
10 |
6 |
0,23 |
D118D03 – 2,7 D118S03 – 2,7 D118V03 – 2,7 |
EPDM VMQ FPM |
NC |
|
5 |
5 |
||||||||||||
|
10 |
10 |
||||||||||||
|
Voolikühendus |
3,4 |
6 |
3 |
6 |
3 |
0,30 |
D118D03 – 3,4 D118S03 – 3,4 D118V03 – 3,4 |
EPDM VMQ FPM |
|||||
|
3 |
3 |
||||||||||||
|
6 |
6 |
||||||||||||
EPDM = Ethylene-propylene elastomer
VMQ = Silicone elastomer
FPM = Fluoro-carbon elastomer