
OMADUSED
INFO
Maksimaalne viskoosus 80 cSt (mm²/s)
|
Kasutatav aine (*) |
Õhk, inertgaas, vesi, õli |
|
Temperatuurile (TS) 1)
|
-5… 90 °C |
|
Tihendid (*) |
Keraamilised oksiidid, EPDM |
KASUTATAVA AINEGA KOKKUPUUTUVAD MATERJALID
(*) kontrolli, et materjalid sobivad kasutatava ainega
Pesa Messing
Tihendid Keraamilised oksiidid, FPM
Siseosad POM, roostevaba teras
Tehnilised andmed
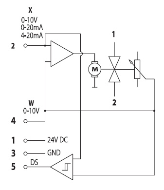
Pistikühendus 5-poolusega M12 (emane)
Kaitseklass IP65
Tööpinge DC (=): 24V
Juhtsignaal 0 –10 V, 0 – 20 mA, 4 – 20 mA
Energia tarve 6W (10W reguleerimise ajal)
Reguleerimisaeg 3,5 sek.
Voolamise reguleerimisomadused (2) hüsterees < 3 %, korduvus < 2 %, tundlikus < 2%
Wermundsen OÜ
Mustamäe tee 55
EE-10620 Tallinn, Estonia
Tel: (+372) 601 4202
wermundsen@wermundsen.ee
|
Putkikoko |
Virtausaukko |
Virtauskerroin Kv |
Rõhu vahe (bar) |
||
|
min. |
maks. (PS) |
||||
|
Õhk, vesi, õli (*) |
|||||
|
G |
(mm) |
(m3/h) |
(l/min) |
= |
|
|
3/4 |
15 |
1,1 |
18 |
-0,9 |
10 |