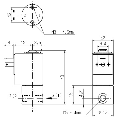
Magnetventiilid D103 AISI 316 Asco
2-tee, M5, normaalselt kinni, rõhu vahele 0-2 bar
Vedelikud (*) Vesi, õhk, õli ja gaasid
(*) Veendu, et valmistusmaterjalid sobivad
Ventiili ankrumehhanism on eraldatud vedelikest, vaid korpus ja klapp puutuvad kokku vedelikega.
Tehnilised andmed
|
Maksim.rõhk (PS) |
7 bar |
|
Avanemisaeg |
10 ms |
|
Sulgumisaeg |
10 ms |
|
Vedeliku temperatuur |
-10… 100 °C |
|
Maksim. viskoosus |
37 cSt (mm2/s) |
VEDELIKEGA KOKKUPUUTUVAD MATERJALID
Korpus Happekindel teras AISI 316
Tihendid EPDM, VMQ tai FPM
Mähis
|
ED-klass |
100 % |
|
Materjal |
PET (polüethülen terephtalat) klaaskiuga tugevdatud |
|
Isolatsiooni klass |
F (155 °C) |
|
Ümbritsev temperatuur |
-10… 60 °C |
|
Elektri ühendus |
Pistik DIN 43650 (väike) |
|
Kaitseklass |
IP65 |
|
Standardpingele AC (~) vaid D105-sari DC (=) |
24V/50Hz, 110V/50Hz (120V/60Hz), 230V/50Hz (+10 % -15 %) 12, 24V (+10 % -5 %) (Muita jännitteitä, tiedustele) |
Müük ja info
Wermundsen OÜ
Mustamäe tee 55
EE-10620 Tallinn, Estonia
Tel: (+372) 601 4202
wermundsen@wermundsen.ee
Toodete pildid
Lisateave
d103.pdf
|
Mõõt |
Vooluava |
Töörõhu vahe (bar) |
Mähise võimsus |
Kv (m3/h) |
Mudel |
Tihendid |
||||||
|
∆p min. |
∆p maksim. |
AC (VA) |
DC |
|||||||||
|
Õhk ja gaasid |
Vedelikud |
Veojõud |
Hoidejõud |
|||||||||
|
G" |
(mm) |
AC |
DC |
AC |
DC |
W |
||||||
|
M5 |
1,6 |
0 |
– |
2 |
– |
2 |
– |
– |
2,5 |
0,04 |
D103D05 |
EPDM |
|
D103S05 |
VMQ |
|||||||||||
|
D103V05 |
FPM |
|||||||||||
EPDM = Ethylenepropylene elastomer
VMQ = Silicone elastomer
FPM = Fluorocarbon elastomer
PTFE = Polytetrafl uorethylene