Magnetventiilid L182, AISI 316L Asco
2-tee, 3/8"-1", Normaalselt suletud, rõhkude vahele 0,35-16 bar
|
Ainetele (*) |
Vesi, õhk, õli ja inertgaasid |
Tehnilised näitajad
|
Maksimaalne rõhk (PS) |
20 bar |
|
Avanemisaeg |
300 ms – 1500 ms |
|
Sulgumisaeg |
1000 ms – 2000 ms |
|
Voolava aine temperatuur |
0… 130 °C (FPM) (-10… 90 °C (NBR), küsi lisainfot) (-10… 140 °C (EPDM), küsi lisainfot) |
|
Maksimaalne viskoosus |
37 cSt (mm2/s) |
VOOLAVA AINEGA KOKKUPUUTUVAD MATERJALID
Pesa Happekindel teras, AISI 316L
Membraan ja tihendid FPM, NBR või EPDM
Siseosad Roostevaba teras
Hülss Roostevaba teras
Ankur Roostevaba teras
Mähis
|
ED-klass |
100 % |
|
Materjal |
PET (klaaskiudarmeeritud) |
|
Isolatsiooniklass |
F (155 °C) |
|
Ümbritsev temperatuur |
-10… 60 °C |
|
Elektriline ühendus |
Pistik DIN 43650 (kitsas) |
|
Kaitseklass |
IP65 |
|
Standardpinged AC (~) DC (=) |
24V/50 – 60Hz, 115V/50Hz, 230V/50 – 60Hz (+10 % -15 %) 12, 24V (+10 % -5 %) (Muudele pingetele küsi lisainfot) |
1) UL/CSA -heakskiiduga, saadaval kõrgema isolatsiooniklassiga, suurema temperatuuritaluvusega ja väiksema mähisevõimsusega 3,5VA (AC) ja 3W (DC). Madalavõimsusega mähisega: Δp maks. = 12 bar (3/8" – 1/2") Δp maks. = 8 bar (3/4" – 1")
Müük ja info
Wermundsen OÜ
Mustamäe tee 55
EE-10620 Tallinn, Estonia
Tel: (+372) 601 4202
wermundsen@wermundsen.ee
Toodete pildid
Lisateave
l182-aisi_316l.pdf
|
Mõõt |
Voolamisava |
Rõhkude vahele (bar) |
Mähise võimsus |
Kv (m3/h) |
Mudel |
Membraan ja toimimine |
|||||||
|
∆p min. |
∆p maksimi |
AC (VA) |
DC |
||||||||||
|
Ilma, inertit kaasut |
Nesteet |
Veto |
Pito |
||||||||||
|
G” |
(mm) |
AC |
DC |
AC |
DC |
VA |
VA |
W |
(W) |
||||
|
3/8 |
13,5 |
0,35 |
12 12 |
12 12 |
12 12 |
12 12 |
12 |
6 |
4 |
5,5 |
2,5 |
L182V09 – 3/8" L182V10 – 3/8" |
FPM FPM, käsijuhtimine |
|
1/2 |
12 12 |
12 12 |
12 12 |
12 12 |
3,8 |
L182V09 – 1/2" L182V10 – 1/2" |
FPM FPM, käsijuhtimine |
||||||
|
3/4 |
18 |
10 10 |
10 10 |
10 10 |
10 10 |
5 |
L182V09 – 3/4" L182V10 – 3/4" |
FPM FPM, käsijuhtimine |
|||||
|
1 |
24 |
10 10 |
10 10 |
10 10 |
10 10 |
12 |
L182V09 – 1" L182V10 – 1" |
FPM FPM, käsijuhtimine |
|||||
FPM = Fluor-carbon elastomer
NBR = Nitrile-butylene elastomer
EPDM = Ethylene-propylene elastomer (WRAS/KTW sertifitseeritud)
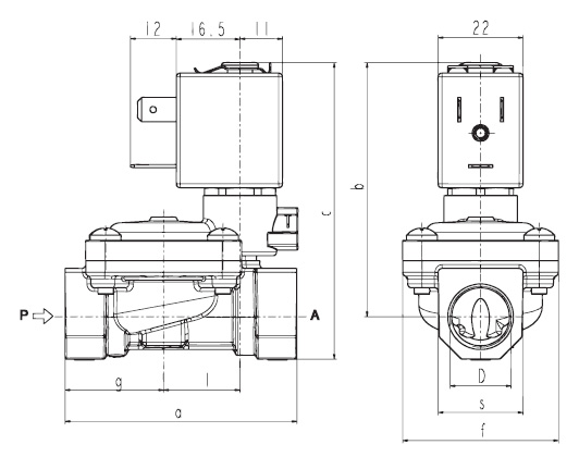
|
D |
a |
b |
c |
f |
g |
l |
s |
|
G 3/8 |
60 |
66 |
77 |
40 |
25,5 |
20 |
22 |
|
G 1/2 |
66 |
68 |
82 |
40 |
29 |
20 |
27 |
|
G 3/4 |
79 |
72,5 |
89 |
50 |
35,5 |
24,5 |
33 |
|
G 1 |
105 |
85 |
106 |
71 |
46 |
28 |
42 |